新闻中心
NEWS
更新时间:2025-07-05
点击次数:213 随着现代汽车类型和功能的不断改进完善,汽车安全玻璃的形状、大小以及用途都在不断地变换。如今,具有复杂曲面设计的汽车安全玻璃逐渐代替了平面型两面拼接式玻璃,整体一幅式的大曲面型汽车玻璃,上下左右都有一定的弧度,复杂的尺寸变化也对汽车安全玻璃精确测量提出了很大的挑战。

汽车安全玻璃
汽车安全玻璃测量方式有哪些?
目前主流的汽车安全玻璃测量方式有人工检测、无接触式激光扫描检测以及接触式测量三种方式,在实际的应用当中各有优劣。
人工检测:最经典的测量方法,相较于机械视觉检测来说并无明显优势,随着工业高速的发展,人工检测方法正逐渐被淘汰,并不适应于现代化的生产作业当中。

目前主流的汽车安全玻璃测量方式有人工检测、无接触式激光扫描检测以及接触式测量三种方式,在实际的应用当中各有优劣。
人工检测:最经典的测量方法,相较于机械视觉检测来说并无明显优势,随着工业高速的发展,人工检测方法正逐渐被淘汰,并不适应于现代化的生产作业当中。

目前主流的汽车安全玻璃测量方式有人工检测、无接触式激光扫描检测以及接触式测量三种方式,在实际的应用当中各有优劣。
人工检测:最经典的测量方法,相较于机械视觉检测来说并无明显优势,随着工业高速的发展,人工检测方法正逐渐被淘汰,并不适应于现代化的生产作业当中。

汽车安全玻璃测量方案
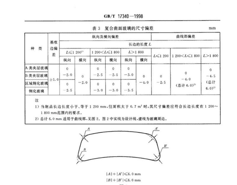
按照国标GB/T 17340-1998,规定了汽车安全玻璃的尺寸、形状及外观,定义了曲线部、设计线、基准边、基准边偏差、纵向尺寸偏差、横向尺寸偏差、曲线部偏差等诸多关键的设计信息,为满足目前多样化的市场需求以及更加效率的生产,厂家们的关注点也更加需要注重汽车生产玻璃精度测量设备的优化。

美示通为满足各项国标规定测量需求,为客户提供精准、高效的检测效果推出高精度LVDT位移传感器以及和美示通联网系统,通过传感器检测玻璃各个点位信息,系统软件进行数据分析,为客户获取被测物尺寸偏差、公差判定等情况,轻松、快速的判定产品是否合格。
